mx是啥参数?mx系列是什么显卡
本文摘要: 大家好,mx是啥参数相信很多的网友都不是很明白,包括mx系列是什么显卡也是一样,不过没有关系,接下来就来为大家分享关于mx是啥参数和mx系列是什么显卡的一些知识点,大家可以关注收藏,免得下次来找不到哦,下面我们开始吧!请问内花键参数INT31Zx5mx30Px6F,分别表示什么意思,谢谢〖One...
大家好,mx是啥参数相信很多的网友都不是很明白,包括mx系列是什么显卡也是一样,不过没有关系,接下来就来为大家分享关于mx是啥参数和mx系列是什么显卡的一些知识点,大家可以关注收藏,免得下次来找不到哦,下面我们开始吧!
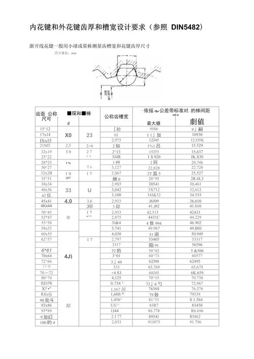
请问内花键参数INT31Zx5mx30Px6F,分别表示什么意思,谢谢
〖One〗、INT,表示渐开线内花键;31Z,表示齿数是31;5m,表示模数是5;30P,表示压力角30°、平齿根(P);6F,表示齿槽宽精度是6级、基本偏差F。参阅 GB/T 3471~9 。
〖Two〗、渐开线内花键:INT24zX1mX30PX6H 。供借鉴。

英伟达轻薄本独显MX250/MX230配GDDR5显存官方发布
显卡发布情况 英伟达已经在官方网站上正式发布了MX 250和MX 230这两款轻薄本独立显卡。这两款显卡分别作为MX 150和MX 130的继任者,旨在为用户提供更出色的图形处理能力。显存类型 MX 250和MX 230均配备了GDDR5显存。
近日,NVIDIA(英伟达)正式发布了移动版GeForce MX230和MX250独显,针对入门级轻薄笔记本,是现有MX130、MX150的继承者,对比英特尔核显更强大,同时还具有更好的能耗表现,适合对 游戏 性能要求不高的笔记本用户选取。据悉,搭载GeForce MX230和MX250的笔记本将于近期发售,需要的用户可关注。
MX250配以4GB GDDR5显存,TDP(热设计功耗)为25W,属于满血版。在GP108体系结构中,MX250的默认主频为1519MHz,加速频率为1582MHz,显存频率为1752MHz。配置有384个CUDA核心,16个ROP单元,具有64Bit位宽。
英伟达随后发布声明澄清了这两款新显卡的详细性能:“GeForceMX250在核心主频和内存主频方面提升到了5GHz,与MX150的3GHz主频相比有了一定的提升。而GeForceMX230由于引入了Pascal架构,因此提供了比GeForceMX130更好的性能表现。

华硕P5B-MX基本参数
华硕P5B-MX是一款专为Intel架构平台设计的主板,其集成的显卡芯片为英特尔GMA 3000,能够提供基本的图形处理能力。声卡方面,它内建Realtek ALC883芯片,提供清晰的音频输出。网卡功能方面,主板内置了千兆网卡,满足高速网络需求。
华硕P5B主板的其它参数和特点包括以下几点:超线程技术支持:支持超线程技术,使多任务处理更加高效,提升了系统的整体性能。智能超频工具:AI NOS?:无延迟的超频系统,能够自动调整CPU频率,实现顺畅的性能提升。AI Overclocking功能:智能地为CPU频率调整提供优化,确保稳定而高效的性能表现。
比较好的775主板是:华硕P5B-MX系列主板。华硕P5B-MX系列主板是775接口中的佼佼者。以下是 华硕P5B-MX系列主板采用高端芯片组,支持最新的技术和标准,保证了系统的稳定性和兼容性。该系列主板在设计和制造过程中,注重每一个细节,使用高品质的材料和先进的生产工艺,确保主板的耐用性和可靠性。

七彩虹cf-p8-mx参数
七彩虹cfp8mx 主板芯片组p8H61或p8H67,比较高支持 DDR 3 1333,最大内存16G。
七彩虹p8-mx主板为1150针脚的H81主板,适用于所有1150针脚的cpu。这块主板使用的英特尔1150针脚的CPU有:赛扬系列:G1820,G1840。奔腾系列:G3220,G3240,G3260。i3系列:i3『4』130,i3『4』150,i3『4』160,i3『4』170。i5系列:i5『4』440,i5『4』460,i5『4』570,i5『4』590,i5『4』690,i5『4』690K。
七彩虹cf-g8-mx主板参数是一块标准的ITX主板。七彩虹cfp8mx主板是一块标准的ITX主板,尺寸是17乘以17cm,与以往的CNV系列主板一样,采用了银白色的散热片,PCIEx16插槽也有钢铁护甲保护,主板的PCB还是黑色的。

戴尔S2330MX基本参数
戴尔S2330MX的基本参数如下:屏幕尺寸:23英寸。屏幕比例:16:9,适合日常办公和娱乐需求。分辨率:1920x1080,符合1080p全高清标准,提供清晰细腻的视觉体验。面板类型:TN面板,色彩还原准确,色域覆盖达到82%。背光类型:LED,既能节省能源,又能提供良好的亮度表现。
戴尔S2330MX的基本参数如下:屏幕尺寸:23英寸,采用16:9的宽屏比例,提供清晰的视觉体验。最佳分辨率:1920x1080,符合1080p全高清标准,确保显示的细腻度和清晰度。面板类型:采用TN面板,配合LED背光技术,节能且提供稳定的亮度和色彩表现。
戴尔S2330MX显示器的重要参数如下:屏幕尺寸:23英寸,适合日常办公和娱乐需求。面板类型:TN面板,提供800万:1的动态对比度,呈现更鲜明的图像细节。最佳分辨率:1920x1080,确保清晰锐利的视觉体验。背光技术:采用LED技术,节能环保,亮度达250cd/㎡,确保良好显示效果。
您好:您只需要禁用或者卸载安全软件后,到戴尔官方网站下载Touchpad/DellTouch及quickset两个程序重新安装后重启电脑即可。
首先,屏幕显示的entering power save mode与你的电脑主机无关。那是显示器(显示器型号dell s2330mx)因为没有接收到视频信号,所以自动进入节能待机状态。其次,电源开关亮黄灯,是dell的故障诊断灯。黄灯常亮通常是CPU未工作,最大的可能是你的机箱电源故障或主板CPU供电模块故障。
大型游戏这显卡是不行的,其实加一根2GB DDR3 1600内存,显卡换个6770,就完全无压力了。预算在700左右。
关于mx是啥参数,mx系列是什么显卡的介绍到此结束,希望对大家有所帮助。



还没有评论,来说两句吧...